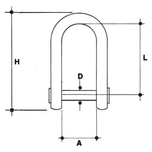
E7290
| Ref. | CMU | M | A | D | H | L | Kg |
|---|---|---|---|---|---|---|---|
| E7290-6 | 0,1 T | 6 | 13 | 6 | 39 | 27 | 0,03 |
| E7290-8 | 0,25 T | 8 | 16 | 8 | 51 | 35 | 0,07 |
| E7290-10 | 0,4 T | 10 | 19 | 10 | 61,5 | 42,5 | 0,13 |
| E7290-12 | 0,63 T | 12 | 24,5 | 12 | 78 | 54 | 0,22 |
| E7290-14 | 0,75 T | 14 | 28,5 | 14 | 89,5 | 61 | 0,31 |
CMU Carga máxima de utilización
T Tonelada
Conforme a la directiva europea 2006/42/CE
Descargar Ficha Técnica del Producto (0.59 MB)
















