508 R - 508 RE
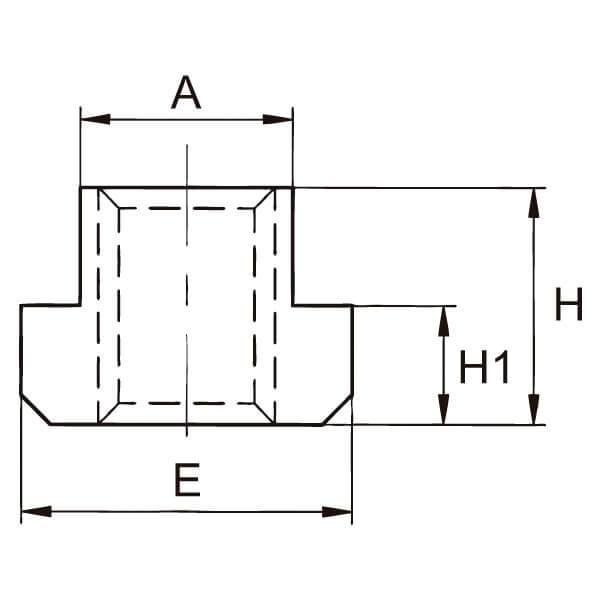
| Ref. | D | A | E | H | H1 | g | |
|---|---|---|---|---|---|---|---|
| 508R-5 | M5 | 6 | 5,7 | 10 | 8 | 4 | 4 |
| 508R-6 | M6 | 8 | 7,6 | 13 | 10 | 6 | 6 |
| 508R-8 | M8 | 10 | 9,6 | 15 | 12 | 6 | 11 |
| 508R-10 | M10 | 12 | 11,6 | 18 | 14 | 7 | 14 |
| 508RE-10-14 | M10 | 14 | 13,6 | 22 | 16 | 8 | 27 |
| 508R-12 | M12 | 14 | 13,6 | 22 | 16 | 8 | 23 |
| 508R-14 | M14 | 16 | 15,6 | 25 | 18 | 9 | 33 |
| 508RE-10-18 | M10 | 18 | 17,6 | 28 | 20 | 10 | 65 |
| 508R-16 | M16 | 18 | 17,6 | 28 | 20 | 10 | 46 |
| 508RE-16-20 | M16 | 20 | 19,7 | 32 | 24 | 12 | 79 |
| 508R-18 | M18 | 20 | 19,6 | 32 | 24 | 12 | 71 |
| 508RE-16-22 | M16 | 22 | 21,6 | 35 | 28 | 14 | 128 |
| 508R-20 | M20 | 22 | 21,6 | 35 | 28 | 14 | 103 |
| 508RE-20-24 | M20 | 24 | 23,7 | 40 | 32 | 16 | 170 |
| 508RE-16-28 | M16 | 28 | 27,6 | 44 | 36 | 18 | 294 |
| 508RE-20-28 | M20 | 28 | 27,6 | 44 | 36 | 18 | 248 |
| 508R-24 | M24 | 28 | 27,6 | 44 | 36 | 18 | 223 |
| 508R-30 | M30 | 36 | 35,5 | 54 | 44 | 22 | 433 |
| 508R-36 | M36 | 42 | 41,6 | 65 | 52 | 26 | 690 |
Canal
Descargar Ficha Técnica del Producto (0.48 MB)
Descargar Catálogo Familia (4.77 MB)
Descargar Catálogo de Productos (42.10 MB)
Descargar Imagen del Producto (1.83 MB)
Descargar Imagen 2D del Producto (0.00 MB)
















