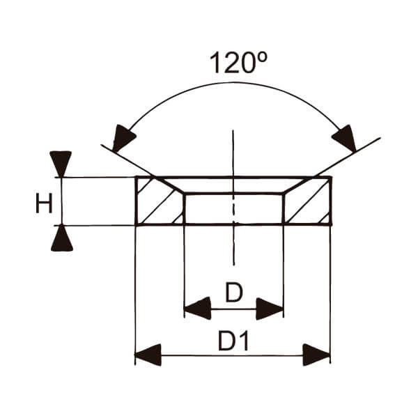
DIN 6319 D
| Ref. | M | D | D1 | H | g |
|---|---|---|---|---|---|
| 6319D-6 | M6 | 7,1 | 12 | 2,8 | 1,4 |
| 6319D-8 | M8 | 9,6 | 17 | 3,5 | 4 |
| 6319D-10 | M10 | 12 | 21 | 4,2 | 6,5 |
| 6319D-12 | M12 | 14,2 | 24 | 5 | 10 |
| 6319D-14 | M14 | 16,5 | 28 | 5,6 | 18 |
| 6319D-16 | M16 | 19 | 30 | 6,2 | 19 |
| 6319D-18 | M18* | 21 | 32 | 7 | 20 |
| 6319D-20 | M20 | 23,2 | 36 | 7,5 | 32 |
| 6319D-24 | M24 | 28 | 44 | 9,5 | 63 |
| 6319D-30 | M30 | 35 | 56 | 12 | 133 |
| 6319D-36 | M36 | 42 | 68 | 15 | 236 |
| 6319D-42 | M42 | 49 | 78 | 18 | 365 |
| 6319D-48 | M48 | 56 | 92 | 22 | 641 |
Permite desviaciones en el amarre de hasta aproximadamente ±3º, cuando se utiliza junto a la arandela DIN 6319 C
Utilizar unicamente cuando la base de la arandela quede asentada completamente.
* Medidas fuera de norma DIN.
Descargar Ficha Técnica del Producto (0.49 MB)
Descargar Catálogo Familia (4.77 MB)
Descargar Catálogo de Productos (42.10 MB)
Descargar Imagen del Producto (2.04 MB)
Descargar Imagen 2D del Producto (0.25 MB)
















