DIN 6888
DIN 6888
Chavetas de disco
Acero C45+C (F-114)
Tolerancia b: h9
Tolerancia h: h12
Resistencia mínima a la tracción: 600 N/mm²
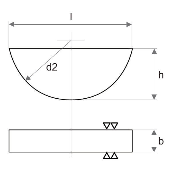
| b | 1 | 1,5 | 2 | 2,5* | 3 | 4 | 5 | 6 | 7 | 8 | 10 | ||||||||||||||||
|---|---|---|---|---|---|---|---|---|---|---|---|---|---|---|---|---|---|---|---|---|---|---|---|---|---|---|---|
| h | 1,4 | 2,6 | 2,6 | 3,7 | • 5 | 3,7 | 3,7 | 5 | 6,5 | 5 | 6,5 | 7,5 | 6,5 | 7,5 | 9 | • 10 | 7,5 | 9 | 10 | 11 | • 10 | 9 | 11 | 13 | 11 | 13 | 16 |
| d2 | 4 | 7 | 7 | 10 | • 13 | 10 | 10 | 13 | 16 | 13 | 16 | 19 | 16 | 19 | 22 | • 25 | 19 | 22 | 25 | 28 | • 25 | 22 | 28 | 32 | 28 | 32 | 45 |
También disponibles en acero inoxidable.
Otras medidas, longitudes especiales y materiales bajo consulta.
Las longitudes en negrita son las más utilizadas.
• Medidas fuera de norma DIN.
* Solo admisible para el sector del automóvil.
Selección de la chaveta de disco DIN 6888
| Chavetero del eje | Chavetero del cubo | Asiento fijo | Asiento ligero | dif. adm. Diferencia admisible |
| Shaft Keyway | Hub Keyway | Tight fit | Loose fit | Acceptable Difference |
| Logement de l'arbre | Logement du moyeu | Ajustement serré | Ajustement libre | Écart accepté |
| Rasgo de chaveta do eixo | Rasgo de chaveta do cubo | Assento fixo | Assento ligeiro | Diferença admissível |
| d1(I) | > | 3 | 4 | 6 | 8 | - | 10 | - | 12 | - | 17 | - | 22 | - | 30 | - | |||||||||||
| ≤ | 4 | 6 | 8 | 10 | - | 12 | - | 17 | - | 22 | - | 30 | - | 38 | - | ||||||||||||
| d1(II) | > | 6 | 8 | 10 | 12 | 17 | 22 | 30 | 38 | 38 | |||||||||||||||||
| ≤ | 8 | 10 | 12 | 17 | 22 | 30 | 38 | - | - | ||||||||||||||||||
| b | 1 | 1,5 | 2 | 2,5 | 3 | 4 | 5 | 6 | 8 | 10 | |||||||||||||||||
| (h9) dif. adm. |
-0,025 | -0,025 | -0,025 | -0,025 | -0,025 | -0,025 | -0,025 | -0,025 | 0,030 | 0,030 | 0,030 | -0,030 | -0,030 | -0,030 | -0,030 | -0,030 | -0,030 | -0,030 | -0,036 | -0,036 | -0,036 | -0,036 | -0,036 | -0,036 | |||
| h | 1,4 | 2,6 | 2,6 | 3,7 | 3,7 | 3,7 | 5 | 6,5 | 5 | 6,5 | 7,5 | 6,5 | 7,5 | 9 | 7,5 | 9 | 10 | 11 | 9 | 11 | 13 | 11 | 13 | 16 | |||
| (h12) dif. adm. |
-0,100 | -0,100 | -0,100 | -0,120 | -0,120 | -0,120 | -0,120 | -0,150 | -0,120 | -0,150 | -0,150 | -0,150 | -0,150 | -0,150 | -0,150 | -0,150 | -0,150 | -0,180 | -0,150 | -0,180 | -0,180 | -0,180 | -0,180 | -0,180 | |||
| r1 | 0,2 | 0,2 | 0,2 | 0,2 | 0,2 | 0,2 | 0,2 | 0,2 | 0,2 | 0,2 | 0,2 | 0,2 | 0,2 | 0,2 | 0,4 | 0,4 | 0,4 | 0,4 | 0,4 | 0,4 | 0,4 | 0,4 | 0,4 | 0,4 | |||
| dif. adm. | +0,1 | +0,1 | +0,1 | +0,1 | +0,1 | +0,1 | +0,1 | +0,1 | +0,1 | +0,1 | +0,1 | +0,1 | +0,1 | +0,1 | +0,2 | +0,2 | +0,2 | +0,2 | +0,2 | +0,2 | +0,2 | +0,2 | +0,2 | +0,2 | |||
| l | ≈ | 3,82 | 6,76 | 6,76 | 9,66 | 9,66 | 9,66 | 12,65 | 15,72 | 12,65 | 15,72 | 18,57 | 15,72 | 18,57 | 21,63 | 18,57 | 21,63 | 24,49 | 27,35 | 21,63 | 27,35 | 31,43 | 27,35 | 31,43 | 43,08 | ||
| (7,85 kg/dm3) kg/1000 u. | ≈ | 0,031 | 0,153 | 0,204 | 0,414 | 0,518 | 0,622 | 1,10 | 1,80 | 1,47 | 2,40 | 3,27 | 3,01 | 4,09 | 5,73 | 4,91 | 6,88 | 8,64 | 10,06 | 9,17 | 14,1 | 19,28 | 17,6 | 24,1 | 39,9 | ||
| Chavetero del eje | b* | Asiento fijo | P9 | 1 | 1,5 | 2 | 2 | 2,5 | 3 | 3 | 3 | 4 | 4 | 4 | 5 | 5 | 5 | 6 | 6 | 6 | 6 | 8 | 8 | 8 | 10 | 10 | 10 |
| Asiento ligero |
N9 | 1 | 1,5 | 2 | 2 | 2,5 | 3 | 3 | 3 | 4 | 4 | 4 | 5 | 5 | 5 | 6 | 6 | 6 | 6 | 8 | 8 | 8 | 10 | 10 | 10 | ||
| t1 | Serie A | 1,0 | 2,0 | 1,8 | 2,9 | 2,9 | 2,5 | 3,8 | 5,3 | 3,5 | 5,0 | 6,0 | 4,5 | 5,5 | 7,0 | 5,1 | 6,6 | 7,6 | 8,6 | 6,2 | 8,2 | 10,2 | 7,8 | 9,8 | 12,8 | ||
| Serie B | 1,0 | 2,0 | 1,8 | 2,9 | 2,9 | 2,8 | 4,1 | 5,6 | 4,1 | 5,6 | 6,6 | 5,4 | 6,4 | 7,9 | 6,0 | 7,5 | 8,5 | 9,5 | 7,5 | 9,5 | 11,5 | 9,1 | 11,1 | 14,1 | |||
| Dif. adm. (A/B) | +0,1 | +0,1 | +0,1 | +0,1 | +0,1 | +0,1 | +0,1 | +0,1 | +0,1 | +0,1 | +0,1 | +0,1 | +0,1 | +0,2 | +0,2 | +0,2 | +0,2 | +0,2 | +0,2 | +0,2 | +0,2 | +0,2 | +0,2 | +0,2 | |||
| d2 | +0,5 | 4 | 7 | 7 | 10 | 10 | 10 | 13 | 16 | 13 | 16 | 19 | 16 | 19 | 22 | 19 | 22 | 25 | 28 | 22 | 28 | 32 | 28 | 32 | 45 | ||
| Chavetero del cubo | b* | Asiento fijo | P9 | 1 | 1,5 | 2 | 2 | 2,5 | 3 | 3 | 3 | 4 | 4 | 4 | 5 | 5 | 5 | 6 | 6 | 6 | 6 | 8 | 8 | 8 | 10 | 10 | 10 |
| Asiento ligero |
J9** | 1 | 1,5 | 2 | 2 | 2,5 | 3 | 3 | 3 | 4 | 4 | 4 | 5 | 5 | 5 | 6 | 6 | 6 | 6 | 8 | 8 | 8 | 10 | 10 | 10 | ||
| t2 | Serie A*** | 0,6 | 0,8 | 1,0 | 1,0 | 1,0 | 1,4 | 1,4 | 1,4 | 1,7 | 1,7 | 1,7 | 2,2 | 2,2 | 2,2 | 2,6 | 2,6 | 2,6 | 2,6 | 3,0 | 3,0 | 3,0 | 3,4 | 3,4 | 3,4 | ||
| Dif. adm. (A) | +0,1 | +0,1 | +0,1 | +0,1 | +0,1 | +0,1 | +0,1 | +0,1 | +0,1 | +0,1 | +0,1 | +0,1 | +0,1 | +0,1 | +0,1 | +0,1 | +0,1 | +0,1 | +0,1 | +0,1 | +0,1 | +0,2 | +0,2 | +0,2 | |||
| Serie B*** | 0,6 | 0,8 | 1,0 | 1,0 | 1,0 | 1,1 | 1,1 | 1,1 | 1,1 | 1,1 | 1,1 | 1,3 | 1,3 | 1,3 | 1,7 | 1,7 | 1,7 | 1,7 | 1,7 | 1,7 | 1,7 | 2,1 | 2,1 | 2,1 | |||
| Dif. adm. (B) | +0,1 | +0,1 | +0,1 | +0,1 | +0,1 | +0,1 | +0,1 | +0,1 | +0,1 | +0,1 | +0,1 | +0,1 | +0,1 | +0,1 | +0,1 | +0,1 | +0,1 | +0,1 | +0,1 | +0,1 | +0,1 | +0,1 | +0,1 | +0,1 | |||
| r2 | 0,2 | 0,2 | 0,2 | 0,2 | 0,2 | 0,2 | 0,2 | 0,2 | 0,2 | 0,2 | 0,2 | 0,2 | 0,2 | 0,2 | 0,4 | 0,4 | 0,4 | 0,4 | 0,4 | 0,4 | 0,4 | 0,4 | 0,4 | 0,4 | |||
| Dif. adm. | -0,1 | -0,1 | -0,1 | -0,1 | -0,1 | -0,1 | -0,1 | -0,1 | -0,1 | -0,1 | -0,1 | -0,1 | -0,1 | -0,1 | -0,2 | -0,2 | -0,2 | -0,2 | -0,2 | -0,2 | -0,2 | -0,2 | -0,2 | -0,2 | |||
| Ref: ? | ||||||||
|---|---|---|---|---|---|---|---|---|
| Ejemplo: | Ref. = | 81 | - | XX | - | XX | - | XX |
| ↑ | ↑ | ↑ | ||||||
| b | h | d2 | ||||||
| DIN 6888 | ||||||||
| 3x5x13 | ||||||||
| Ref. = | 81 | - | 3 | - | 5 | - | 13 | |
d1 (I) son valores de ejes utilizables cuando la chaveta se utiliza como tal, es decir realizando la transmisión en el momento de la rotación.
d1 (II) son diámetros de eje validos cuando la chaveta se utiliza para fijar la posición del elemento de accionamiento, pero no para realizar la propia transmisión (utilizando otros elementos para dicho fin).
b* Se recomienda para anchuras de chaveteros entallados aternerse a la calidad ISA IT8 en lugar de IT9 (es decir P8 en lugar de P9, N8 en lugar de N9 y J8 en lugar de J9).
** En este caso, cuando se utilice diámetros de eje de d1 (II) también se puede utilizar la tolerancia D10.
*** Emplear preferentemente la Serie A (chavetero del cubo alto) coincidente con DIN 6885 t2 con juego en el lomo. La Serie B (chavetero del cubo bajo) es para construcción de maquinaria.
Descargar Ficha Técnica del Producto (1.07 MB)
Descargar Catálogo Familia (0.94 MB)
Descargar Catálogo de Productos (42.10 MB)
Descargar Imagen del Producto (3.14 MB)
Descargar Imagen 2D del Producto (0.30 MB)
















