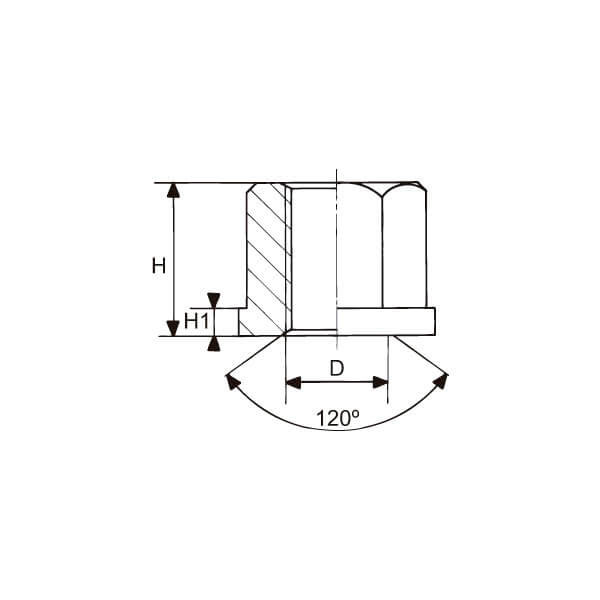
DIN 6331
| Ref. | D | D1 | E min | H (1,5xD) | H1 | S | g |
|---|---|---|---|---|---|---|---|
| 6331-6 | M6 | 14 | 11,05 | 9 | 3 | 10 | 6 |
| 6331-8 | M8 | 18 | 14,4 | 12 | 3,5 | 13 | 12 |
| 6331-10 | M10 | 22 | 18,9 | 15 | 4 | 16 | 22 |
| 6331-12 | M12 | 25 | 21,1 | 18 | 4 | 18 | 30 |
| 6331-14 | M14 * | 28 | 24,5 | 21 | 4,5 | 22 | 51 |
| 6331-16 | M16 | 31 | 26,8 | 24 | 5 | 24 | 68 |
| 6331-18 | M18* | 34 | 30,1 | 27 | 5 | 27 | 95 |
| 6331-20 | M20 | 37 | 33,5 | 30 | 6 | 30 | 124 |
| 6331-22 | M22* | 40 | 35,7 | 33 | 6 | 32 | 160 |
| 6331-24 | M24 | 45 | 40,0 | 36 | 6 | 36 | 219 |
| 6331-27 | M27 | 50 | 45,6 | 40 | 8 | 41 | 320 |
| 6331-30 | M30 | 58 | 51,3 | 45 | 8 | 46 | 464 |
| 6331-36 | M36 | 68 | 61,3 | 54 | 10 | 55 | 790 |
| 6331-42 | M42 | 80 | 76,2 | 63 | 12 | 65 | 1.290 |
| 6331-48 | M48 | 92 | 83,9 | 72 | 14 | 75 | 1.970 |
Hexágono de la tuerca mecanizado.
* Medidas fuera de norma DIN.
Descargar Ficha Técnica del Producto (0.30 MB)
Descargar Catálogo Familia (4.77 MB)
Descargar Catálogo de Productos (42.10 MB)
Descargar Imagen del Producto (2.34 MB)
Descargar Imagen 2D del Producto (0.20 MB)
















