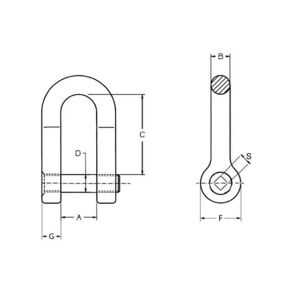
E6120
| Ref. | CMU | M | A | B | C | D | F | G | S | Kg |
|---|---|---|---|---|---|---|---|---|---|---|
| E6120-2 | 2 T | 1/2" | 20,6 | 12,7 | 41,4 | 16 | 30 | 13 | 9 | 0,27 |
| E6120-3,25 | 3,25 T | 5/8" | 26,9 | 16 | 50,8 | 19,1 | 39 | 16 | 11 | 0,57 |
| E6120-4,75 | 4,75 T | 3/4" | 31,8 | 19,1 | 60,5 | 22,4 | 47 | 19 | 11 | 1,19 |
| E6120-6,5 | 6,5 T | 7/8" | 36,6 | 25,4 | 71,3 | 25,4 | 54 | 22 | 13 | 1,43 |
| E6120-8,5 | 8,5 T | 1" | 42,9 | 25,4 | 81 | 28,7 | 60 | 25 | 13 | 2,16 |
CMU Carga máxima de utilización
T Tonelada
Descargar Ficha Técnica del Producto (0.38 MB)
















