UNC INOX
UNC INOX
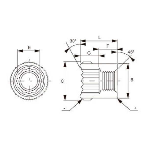
Tuerca Allenuts con carraca interna UNC
Acero inoxidable
Roscas conforme UNC-2B (ANSI B.1.1/FED-STD-H28)
| Ref. | D | L | B | C | E | F | G | |
|---|---|---|---|---|---|---|---|---|
| HTASNC-4 | #4 |
40 | 0.172-0.179 | 0.183-0.187 | 0.205-0.209 | 1/8 | 0.080 | 0.046 |
| HTASNC-6 | #6 |
32 | 0.223-0.230 | 0.253-0.257 | 0.274-0.278 | 5/32 | 0.100 | 0.071 |
| HTASNC-8 | #8 |
32 | 0.266-0.273 | 0.275-0.280 | 0.302-0.307 | 3/16 | 0.125 | 0.084 |
| HTASNC-10 | #10 |
24 | 0.309-0.319 | 0.302-0.307 | 0.331-0.336 | 3/16 | 0.170 | 0.096 |
| HTASNC-1-4 | 1/4 |
20 | 0.409-0.419 | 0.398-0.403 | 0.425-0.430 | 1/4 | 0.225 | 0.136 |
| HTASNC-5-16 | 5/16 |
18 | 0.512-0.522 | 0.493-0.498 | 0.521-0.526 | 5/16 | 0.285 | 0.165 |
| HTASNC-3-8 | 3/8 |
16 | 0.606-0.621 | 0.585-0.590 | 0.615-0.620 | 3/8 | 0.325 | 0.195 |
Roscas según UNC-2B (ANSI B.1.1/FED-STD-H28)
| Cantidad en caja | |
|---|---|
x100 |
Artículo bajo consulta sujeto a cantidades mínimas.
Descargar Ficha Técnica del Producto (0.46 MB)
Descargar Catálogo Familia (1.40 MB)
Descargar Catálogo de Productos (42.10 MB)
Descargar Imagen del Producto (1.46 MB)
Descargar Imagen 2D del Producto (0.32 MB)

















#4