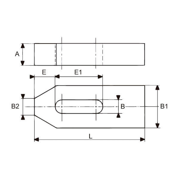
DIN 6314
| Ref. | B | L | M | A | B1 | B2 | E | E1 | g |
|---|---|---|---|---|---|---|---|---|---|
| 6314-7-50 | 7 | 50 | M6 | 10 | 20 | 8 | 10 | 20 | 60 |
| 6314-9-60 | 9 | 60 | M8 | 12 | 25 | 10 | 13 | 22 | 110 |
| 6314-11-80 | 11 | 80 | M10 | 15 | 30 | 12 | 15 | 30 | 220 |
| 6314-14-80 | 14 | 80* | M12 M14 | 20 | 40 | 14 | 21 | 30 | 400 |
| 6314-14-100 | 14 | 100 | M12 M14 | 20 | 40 | 14 | 21 | 40 | 490 |
| 6314-14-125 | 14 | 125 | M12 M14 | 20 | 40 | 14 | 21 | 50 | 640 |
| 6314-18-100 | 18 | 100* | M16 M18 | 25 | 50 | 18 | 26 | 40 | 850 |
| 6314-18-125 | 18 | 125 | M16 M18 | 25 | 50 | 18 | 26 | 45 | 1.000 |
| 6314-18-160 | 18 | 160 | M16 M18 | 25 | 50 | 18 | 26 | 65 | 1.270 |
| 6314-22-160 | 22 | 160 | M20 M22 | 30 | 60 | 22 | 30 | 60 | 1.830 |
| 6314-22-200 | 22 | 200 | M20 M22 | 30 | 60 | 22 | 30 | 80 | 2.290 |
| 6314-22-250 | 22 | 250* | M20 M22 | 30 | 60 | 22 | 30 | 100 | 3.000 |
| 6314-26-160 | 26 | 160* | M24 | 30 | 70 | 26 | 35 | 60 | 2.500 |
| 6314-26-200 | 26 | 200 | M24 | 30 | 70 | 26 | 35 | 80 | 2.650 |
| 6314-26-250 | 26 | 250 | M24 | 30 | 70 | 26 | 35 | 105 | 3.850 |
| 6314-34-250 | 34 | 250 | M30 | 40 | 80 | 34 | 45 | 100 | 5.000 |
| 6314-34-315 | 34 | 315 | M30 | 50 | 80 | 34 | 45 | 130 | 7.800 |
| 6314-43-400 | 43* | 400* | M36 M42 | 60 | 100 | 43 | 100 | 150 | 18.000 |
* Medidas fuera de norma DIN.
Descargar Ficha Técnica del Producto (0.40 MB)
Descargar Catálogo Familia (4.77 MB)
Descargar Catálogo de Productos (42.10 MB)
Descargar Imagen del Producto (2.16 MB)
Descargar Imagen 2D del Producto (0.26 MB)
















