DIN 7978
DIN 7978
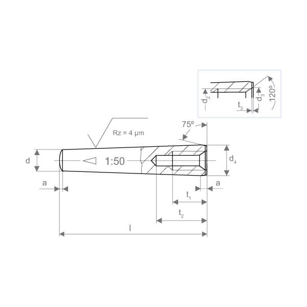
Pasador Cónico con Rosca Interior
Pasador cónico con rosca interior
Material: 9SMnPb28K
Ejecución A: Rectificado
| d | h10 | 6 | 8 | 10 | 12 | 14 | 16 | 20 | 25 | 30 | 40 | 50 | h10 | d | |
|---|---|---|---|---|---|---|---|---|---|---|---|---|---|---|---|
| a | ≈ | 0,8 | 1 | 1,2 | 1,6 | 1,6 | 2 | 2,5 | 3 | 4 | 5 | 6,3 | ≈ | a | |
| d2 | M4 | M5 | M6 | M8 | M8 | M10 | M12 | M16 | M20 | M20 | M24 | d2 | |||
| d3 | 4,3 | 5,3 | 6,4 | 8,4 | 8,4 | 10,5 | 13 | 17 | 21 | 21 | 25 | d3 | |||
| t1 | 6 | 8 | 10 | 12 | 12 | 16 | 18 | 24 | 30 | 30 | 36 | t1 | |||
| t2 | min. | 10 | 12 | 16 | 20 | 20 | 25 | 27 | 34 | 42 | 42 | 50 | min. | t2 | |
| t3 | 1 | 1,2 | 1,2 | 1,2 | 1,2 | 1,5 | 1,5 | 2 | 2 | 2 | 2,5 | t3 | |||
| l js15 |
16 | 20 | 24 | 28 | 28 | 32 | 36 | 45 | 55 | 90 | 110 | l js15 |
|||
| 20 | 24 | • 26 | 32 | 32 | 36 | 40 | 50 | 60 | 100 | 120 | |||||
| 24 | • 26 | 28 | 36 | 36 | 40 | 45 | 55 | 70 | 110 | 130 | |||||
| • 26 | 28 | • 30 | 40 | 40 | 45 | 50 | 60 | 80 | 120 | 140 | |||||
| 28 | • 30 | 32 | 45 | 45 | 50 | 55 | 70 | 90 | 130 | 150 | |||||
| • 30 | 32 | 36 | 50 | 50 | 55 | 60 | 80 | 100 | 140 | 165 | |||||
| 32 | 36 | 40 | 55 | 55 | 60 | 70 | 90 | 110 | 150 | 180 | |||||
| 36 | 40 | 45 | 60 | 60 | 70 | 80 | 100 | 120 | 165 | 200 | |||||
| 40 | 45 | 50 | 70 | 70 | 80 | 90 | 110 | 130 | 180 | 230 | |||||
| 45 | 50 | 55 | 80 | 80 | 90 | 100 | 120 | 140 | 200 | 260 | |||||
| 50 | 55 | 60 | 90 | 90 | 100 | 110 | 130 | 150 | 230 | ||||||
| 55 | 60 | 70 | 100 | 100 | 110 | 120 | 140 | 165 | 260 | ||||||
| • 60 | 70 | 80 | 110 | 110 | 120 | 130 | 150 | 180 | |||||||
| • 70 | 80 | 90 | 120 | 120 | 130 | 140 | 165 | 200 | |||||||
| • 80 | 90 | 100 | 130 | 130 | 140 | 150 | 180 | 230 | |||||||
| • 90 | • 100 | 110 | 140 | 150 | 165 | 200 | 260 | ||||||||
| • 100 | 165 | 180 | 230 | ||||||||||||
| 180 | 200 | 260 | |||||||||||||
| 230 | |||||||||||||||
| 260 | |||||||||||||||
¿Cómo calcular d4?
d4 = d + x ( x = l / 50 )
Ejemplo: (d)12 x (l)100
x = 100 / 50 = 2
d4 = 12 + 2 = 14
d4 = 14
| Ref: ? | ||||||
|---|---|---|---|---|---|---|
| Ejemplo: | Ref. = | D780 | - | XX | - | XXX |
| ↑ | ↑ | |||||
| d | l | |||||
| DIN 7978 | ||||||
| 10x100 | ||||||
| Ref. = | D780 | - | 10 | - | 100 | |
Las longitudes en negrita son las más utilizadas
Otras medidas bajo consulta
• Medidas fuera de norma DIN
Para la extracción de los pasadores DIN 7978 se deben utilizar tornillos de calidad 10.9 como mínimo.
Descargar Ficha Técnica del Producto (0.21 MB)
Descargar Catálogo Familia (0.88 MB)
Descargar Catálogo de Productos (42.10 MB)
Descargar Imagen del Producto (15.81 MB)
Descargar Imagen 2D del Producto (0.33 MB)
















