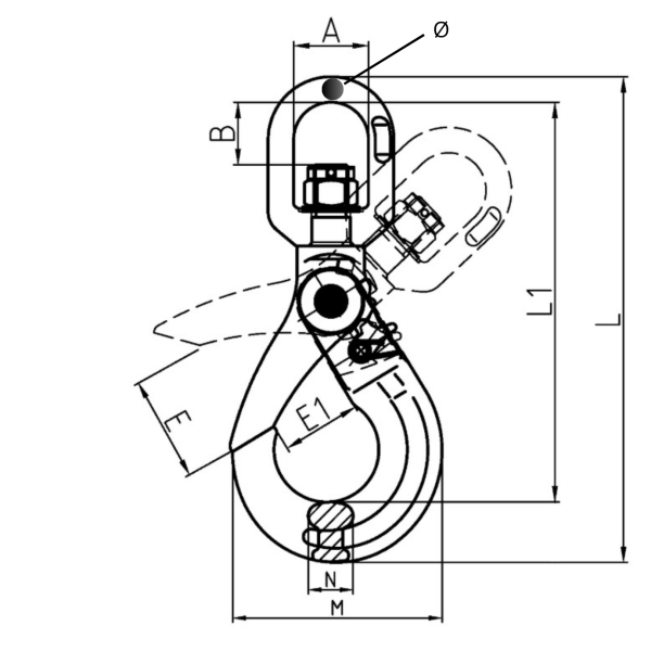
E3071
| Ref. Import | ø Cadena | CMU | A | B | E | E1 | L | L1 | M | N | Ø | Kg | |
|---|---|---|---|---|---|---|---|---|---|---|---|---|---|
| E3071-6 | 6 | 1/4" | 1,4 T | 32,5 | 25,5 | 31,5 | 28 | 184 | 152,5 | 73 | 15 | 11,5 | 0,6 |
| E3071-8 | 7-8 | 9/32-5/16" | 2,5 T | 36 | 28,5 | 40 | 36 | 226 | 188 | 90 | 20 | 13 | 1,1 |
| E3071-10 | 10 | 3/8" | 4 T | 42 | 35 | 46 | 45 | 269 | 225,5 | 108 | 26 | 15,5 | 2 |
| E3071-13 | 13 | 1/2" | 6,7 T | 50 | 41 | 66 | 53,5 | 327 | 270 | 137,5 | 32,5 | 17 | 4 |
| E3071-16 | 16 | 5/8" | 10 T | 70 | 58 | 75 | 61 | 413 | 342 | 170,5 | 38 | 21,5 | 6,8 |
CMU Carga máxima de utilización
T Tonelada
Descargar Ficha Técnica del Producto (0.62 MB)
















