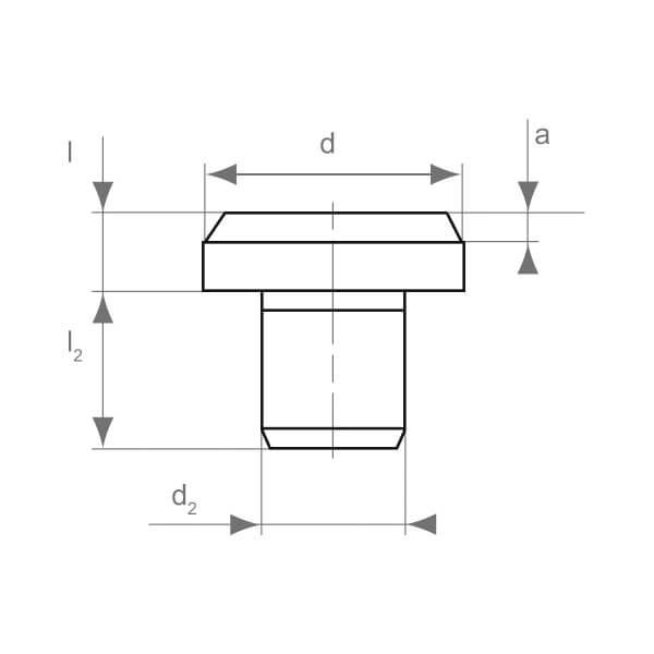
DIN 6321*
| Ref. | d | l (h9) | d2 (n6) | l2 | a (45°) |
|---|---|---|---|---|---|
| 6321-6-5 | 6 | 5 | 4 | 6 | 1,2 |
| 6321-10-8 | 10 | 8 | 6 | 8 | 1,6 |
| 6321-16-5 | 16 | 5 | 8 | 10 | 2,0 |
| 6321-16-13 | 16 | 13 | 8 | 10 | 2,0 |
| 6321-25-8 | 25 | 8 | 12 | 14 | 2,5 |
| 6321-25-20 | 25 | 20 | 12 | 14 | 2,5 |
| 6321-40-13 | 40 | 13 | 20 | 20 | 3,2 |
| 6321-40-32 | 40 | 32 | 20 | 20 | 3,2 |
Para asentar o utilizar como tope en piezas de trabajo y equipos. También se puede utilizar como pie o posicinador
Otras medidas y versiones especiales bajo consulta.
Descargar Ficha Técnica del Producto (0.47 MB)
Descargar Catálogo Familia (1.09 MB)
Descargar Catálogo de Productos (42.10 MB)
Descargar Imagen del Producto (3.67 MB)
Descargar Imagen 2D del Producto (0.30 MB)
















