DIN 6325
DIN 6325
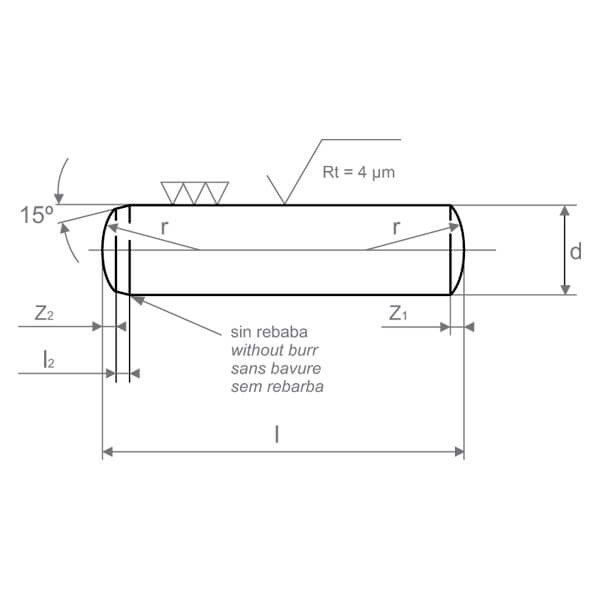
Pasador Cilíndrico
Pasador cilíndrico
Resistencia a la tracción mínima: 600 N/mm²
Tolerancia: m6
Templado 60 ±2 HRC y rectificado
| d | m6 | 0,8 | 1 | 1,5 | 2 | 2,5 | 3 | 4 | 5 | 6 | 8 | 10 | 12 | 14 | 16 | 20 | m6 | d |
|---|---|---|---|---|---|---|---|---|---|---|---|---|---|---|---|---|---|---|
| l2 | 0,4 | 0,4 | 0,5 | 0,6 | 0,7 | 0,8 | 1 | 1,2 | 1,5 | 1,8 | 2 | 2,5 | 2,5 | 3 | 4 | l2 | ||
| r | ≈ | 0,8 | 1 | 1,6 | 2 | 2,5 | 3 | 4 | 5 | 6 | 8 | 10 | 12 | 16 | 16 | 20 | ≈ | r |
| z1 | ≈ | 0,12 | 0,15 | 0,23 | 0,3 | 0,4 | 0,45 | 0,6 | 0,75 | 0,9 | 1,2 | 1,5 | 1,8 | 2 | 2,5 | 3 | ≈ | z1 |
| z2 | ≈ | 0,06 | 0,08 | 0,12 | 0,18 | 0,25 | 0,3 | 0,4 | 0,5 | 0,6 | 0,8 | 1 | 1,3 | 1,3 | 1,7 | 2 | ≈ | z2 |
| l js14 |
02 | 04 | 04 | 06 | 06 | • 06 | • 06 | • 08 | • 10 | • 14 | • 16 | • 20 | • 24 | • 24 | • 40 | l js14 |
||
| 03 | 05 | 05 | 08 | 08 | 08 | • 08 | • 10 | • 12 | • 16 | • 18 | • 22 | • 26 | • 26 | • 45 | ||||
| 04 | 06 | 06 | 10 | 10 | 10 | 10 | 12 | 14 | 18 | • 20 | • 24 | • 28 | • 28 | 50 | ||||
| 05 | 08 | 08 | 12 | 12 | 12 | 12 | 14 | 16 | 20 | • 22 | • 26 | • 30 | • 30 | 55 | ||||
| 06 | 10 | 10 | 14 | 14 | 14 | 14 | 16 | 18 | • 22 | 24 | 28 | • 32 | • 32 | 60 | ||||
| 08 | • 12 | 12 | 16 | 16 | 16 | 16 | 18 | 20 | 24 | • 26 | • 30 | 36 | • 36 | 70 | ||||
| • 14 | 14 | 18 | 18 | 18 | 18 | 20 | • 22 | • 26 | 28 | 32 | 40 | 40 | 80 | |||||
| • 16 | 16 | 20 | 20 | 20 | 20 | • 22 | 24 | 28 | • 30 | 36 | 45 | 45 | 90 | |||||
| • 18 | • 22 | • 22 | • 22 | • 22 | 24 | • 26 | • 30 | 32 | 40 | 50 | 50 | 100 | ||||||
| • 20 | • 24 | 24 | 24 | 24 | • 26 | 28 | 32 | 36 | 45 | 55 | 55 | 120 | ||||||
| • 22 | • 26 | • 26 | • 26 | • 26 | 28 | • 30 | 36 | 40 | 50 | 60 | 60 | |||||||
| • 24 | • 28 | • 28 | 28 | 28 | • 30 | 32 | 40 | 45 | 55 | 70 | 70 | |||||||
| • 26 | • 30 | • 30 | • 30 | • 30 | 32 | 36 | 45 | 50 | 60 | 80 | 80 | |||||||
| • 28 | • 32 | • 32 | 32 | 32 | 36 | 40 | 50 | 55 | 70 | 90 | 90 | |||||||
| • 30 | • 36 | • 36 | • 36 | 36 | 40 | 45 | 55 | 60 | 80 | 100 | 100 | |||||||
| • 40 | • 40 | • 40 | 40 | 45 | 50 | 60 | 70 | 90 | 120 | 120 | ||||||||
| • 45 | • 45 | • 45 | 50 | 55 | 70 | 80 | 100 | |||||||||||
| • 50 | • 50 | • 50 | • 55 | 60 | 80 | 90 | • 120 | |||||||||||
| • 55 | • 55 | • 60 | • 70 | • 90 | 100 | |||||||||||||
| • 60 | • 60 | • 80 | • 100 | • 120 | ||||||||||||||
| • 90 | • 120 | |||||||||||||||||
| • 100 | ||||||||||||||||||
| Ref: ? | ||||||
|---|---|---|---|---|---|---|
| Ejemplo: | Ref. = | D250 | - | XX | - | XXX |
| ↑ | ↑ | |||||
| d | l | |||||
| DIN 6325 | ||||||
| 10x20 | ||||||
| Ref. = | D250 | - | 10 | - | 20 | |
Las longitudes en negrita son las más utilizadas.
• Medidas fuera de norma DIN.
Otras medidas bajo consulta.
La norma DIN 6325 no especifica la designación del material. Los pasadores serán entregados en 100Cr6, reservándonos el derecho de suministrarlos en otros materiales.
Descargar Ficha Técnica del Producto (0.21 MB)
Descargar Catálogo Familia (0.88 MB)
Descargar Catálogo de Productos (42.10 MB)
Descargar Imagen del Producto (0.22 MB)
Descargar Imagen 2D del Producto (0.32 MB)
















